LSTSM14
2025-03-13
LSTSM14
Technical Parameters
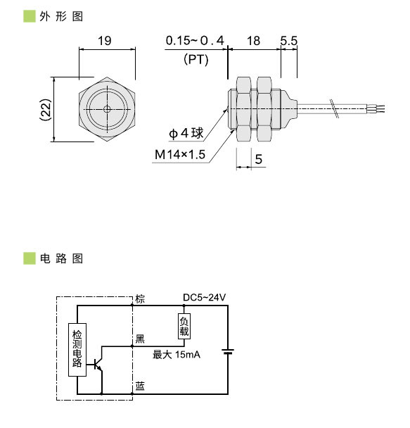
Outline drawing & circuit diagram

voltage DC5~24V
Static load resistance 10kN
journey 0.8mm
Working point position [PT] 0.15~0.4mm
Return difference[MD] 0.1mm or less
Repeatability ±0.002mm
output method LSTSM14:
NPN normally open (ON during operation)
LSTSM14(B):
NPN normally closed (OFF during action)
Output current 15mAMAX
Current consumption 8mAMAX
working frequency 60 times/min or less
Withstand voltage AC1000V
1 minute, between the entire charging part and the casing
Insulation resistance DC250V
20MΩ or more, between the entire charging part and the casing
Working temperature - 20℃~ +85℃ (no condensation)
Working environment humidity 20~95%RH
Wire specifications φ2.8×1000mm
LSTSM14: gray
LSTSM14(B): black
shell material SUS303
ball material SUS
Cable sealing material Nitrile rubber
Install M14 nut, tightening torque 18N·m or less
Installation hole diameter processing dimensions Φ14 +0(0).5
protection level IP44

※ Output conversion, current amplification, and cable extension can be achieved through wire accessories. Please refer to P.127 ~ 130 for details.

2023传感器(1)0018.jpg

Prev:LSTSM16
Next:LSTSM10P

Related Products

Send Inquiry

Send